- kapacita na 14 sad nádobí
- 6 programů a 4 speciální funkce
- šířka 60 cm
- výškově nastavitelný horní koš
- příborová zásuvka VarioDrawer
- třída energetické účinnosti B
- hlučnost 44 dB
- připojení Home Connect pomocí Wi-Fi
Vestavná myčka na 14 sad nádobí, energetická třída B, hlučnost 43 dB, EfficientDry, Koše VarioFlex, Silence Plus, Home Connect, AquaSenzor, EcoSilence Drive, čelní deska dvířek není součástí balení
Doporučené služby
Další možnosti financování

Vestavná myčka Bosch SMV4EVX08E

Myčka šetří vaši peněženku i čas
Užijte si chvíle klidu po dobrém jídlem a nechte za vás pracovat myčku Bosch SMV4EVX08E, která jako plně vestavný model s šířkou 60 cm a hladkým elegantním designem snadno splyne s dalším vybavením vaší kuchyně. Nabízí kapacitu až na 14 sad nádobí, a tak se skvěle hodí i do vícečlenné domácnosti. Je vybavena extrémně tichým motorem Eco Silence Drive a její hlučnost dosahuje 44 dB. Řadí se do třídy energetické účinnosti B. Můžete se těšit na efektivně umyté nádobí za minimálního úsilí a s úsporou vody, kterou byste jinak spotřebovali při ručním mytí. Šetří tak vaši peněženku i váš čas. S programem Eco 50 °C spotřebuje pouze 9 l vody na cyklus. Samozřejmostí je AquaStop – záruka značky Bosch v případě poškození vodou.

Automatické programy a aplikace Home Connect
Vybrat si můžete z 6 programů – Eco 50 °C, Auto 45–65 °C, Intenzivní 70 °C, Hodinový 65 °C a Tichý 50 °C. Prostřednictvím programu Oblíbený máte možnost uložit kombinaci určitého programu a přídavných funkcí, díky čemuž další mytí nastavíte ještě rychleji.Vestavnou myčku Bosch SMV4EVX08E lze prostřednictvím Wi-Fi propojit s chytrou aplikací Home Connect, která vám může zasílat automatická oznámení o aktuálním stavu spuštěného programu a další užitečné informace. Navíc vám nabídne další programy ke stažení, jestliže aktuální nabídka myčky nebude odpovídat vašim požadavkům. Skvěle se tak přizpůsobí vašim potřebám a využít můžete také praktickou funkci počítání tablet.

Vyberte si z nabídky speciálních funkcí
V nabídce speciálních funkcí myčky Bosch SMV4EVX08E naleznete Vzdálené zapnutí, Poloviční náplň nebo SpeedPerfect+, díky které můžete zkrátit mycí program až o 75 %. S funkcí EfficientDry dosáhnete lepších výsledků sušení. Po ukončení programu mytí se automaticky otevřou dvířka, což zabraňuje kondenzaci a dochází k šetrnému ochlazení horkého nádobí. Jistě vás potěší také odložený start, který vám umožní posunout začátek programu až o 24 hodin. Čerstvě umyté a suché nádobí vás tak může čekat těsně předtím, než se vrátíte domů třeba z práce nebo procházky. O tom, zda myčka ještě pracuje nebo má už hotovo, vás bude informovat funkce InfoLight, prostřednictvím které promítá červený bod na podlahu. Vždy tak budete mít jasný přehled o jejím provozu. Na ukončení programu vás upozorní také akustický signál.

Flexibilní řešení vnitřního prostoru
Myčka je vybavena systémem košů VarioFlex a praktickou příborovou zásuvkou VarioDrawer. Díky systému Rackmatic lze horní koš nastavit do 3 poloh, a tak si jej snadno přizpůsobíte různým typům nádobí. K bezpečnému uložení talířů slouží 2 řady sklopných trnů v horním koši a 4 řady sklopných trnů ve spodním. V horní části jsou 2 výklopné etažéry na šálky. Snadnou manipulaci s dolním košem zajistí kolečka s nízkým třením a zarážka proti vykolejení. Myčka Bosch SMV4EVX08E s výměníkem tepla je také vybavena senzorem znečištění vody a samočisticím filtračním systémem s třívrstvým zvlněným filtrem.
| Typ přístroje | Myčka vestavná |
|---|---|
| Model | SMV4EVX08E |
| Počet programů | 6 |
|---|---|
| Doba trvání programu ECO | 3:55 |
| Smart | Ano |
|---|---|
| Emisní třída hluku | B |
| Hlučnost | 44 DB |
| Počet souprav | 14 |
| Možnost umístění | Plně vestavná |
| Displej | Ano |
|---|---|
| Aquastop | Ano |
| Speciální funkce | SpoD VarioSpeed, Remote Start, Machine Care, Half load;Extra dry |
|---|---|
| Odložený start | Ano |
| Počet teplot | 4 |
| Autoprogram | Ano |
| Signalizace průběhu mytí | LED displej |
| Kompatibilita | Amazon Alexa, Home Connect |
| Příborová zásuvka | Ano |
| Vhodné do kuchyně IKEA METOD | Ne |
| Automatické otevírání dveří | Ano |
| Komunikace | Wi-Fi |
|---|
| Energetická třída | B |
|---|---|
| Spotřeba vody | 9.0 L |
| Spotřeba energie na 100 cyklů | 65 KWH |
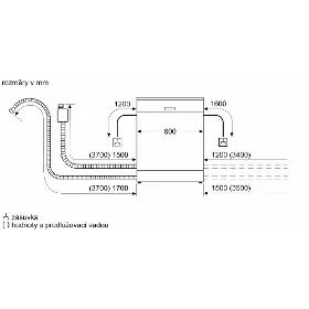
| Rozměry pro vestavbu (VxŠxH) | 81,5-87,5 x 60 x 55 cm |
|---|---|
| Výška | 81.50 CM |
| Šířka | 59.80 CM |
| Hloubka | 55.00 CM |
| Hmotnost | 34.5 KG |
| Výška s obalem | 880.00 MM |
|---|---|
| Šířka s obalem | 660.00 MM |
| Hloubka s obalem | 670.00 MM |
| Váha s obalem | 36600.00 G |
| Barva | Vlastní |
|---|
Použité obrázky jsou pouze ilustrativní a technické specifikace se mohou v průběhu času změnit bez předchozího upozornění.